info@mehprivod.ru
ООО Мехтехника
Тел.: 8 (800) 505-36-88

Цилиндрические двухступенчатые мотор-редукторы 4МЦ2С, 4МЦ2С-63, 4МЦ2С-80, 4МЦ2С-100, 4МЦ2С-125

Цилиндрические двухступенчатые мотор-редукторы 4МЦ2С, 4МЦ2С-63, 4МЦ2С-80, 4МЦ2С-100, 4МЦ2С-125

Соосно цилиндрические мотор-редукторы 4МЦ2С, 4МЦ2С-63, 4МЦ2С-80, 4МЦ2С-100, 4МЦ2С-125 являются приводом общего назначения. Мотор-редукторы могут применяться в тяжелых условиях и имеют высокую перегрузочную способность. Данная серия  широко применяется во всех отраслях промышленности России и стран СНГ. Мотор-редуктор серии 4МЦ2С представляет собой конструктивно объеденный в единое целое цилиндрический соосный редуктор и асинхронный электродвигатель. Мотор-редукторы имеют два варианта крепления (на лапах или на опорном фланце). В зависимости от варианта крепления  в пространстве, мотор-редукторы  имеют различные исполнения.  По желания заказчика возможна установка взрывозащищенных двигателей или двигателей с электротормозом.

Цена: по запросу заказчика

Базовые условия использования цилиндрического мотор-редуктора:

  • Электродвигатель мотор-редуктора питается от сети с напряжением 220 или 380 В, частотой тока 50 Гц и 60 Гц;
  • Возможно всестороннее вращение вала;
  • Время работы 8 - 24 часов в сутки с периодическими остановками;
  • Рекомендуется использовать мотор-редуктор в неагрессивной и невзрывоопасной местности, где плотность диэлектрической пыли не превышает 10 мг/м3;
  • Климатические условия применения мотор-редукторов: У - категория размещения 3 (температура от -400°С до +400°С, использование в закрытых помещениях, имеющих естественную вентиляцию без оборудования, искусственно поддерживающего внутренний климат) или исполнение - Т2 (температура от -100°С до +450°С, в помещениях);
  • Уровень высоты не выше 1000 метров относительно уровня моря.

Общее описание:

Исполнение на лапах 4МЦ2С63-4МЦ2С125

РИС 1. Исполнение на лапах

Фланцевое исполнение 4МЦ2С63-4МЦ2С125

РИС 2. Фланцевое исполнение

4МЦ2С

Тип электро­двигателя

L

H

В

h1

A

A1

E

G

d

h

К

63

63B2

315

255

185

140±0,5

110±0,55

150±0,55

48

15

12

16

160

71В6;71В4

487

71А4; 71А2; 71В2

80В8; 80В6; 80В4; 80В2

517

265

80А6; 80А4

493

80A2

278

90L2; 90L4

538

275

200

80

90LA8; 90LB8;90L6; 90L4

590

305

225

170±0,5

115±0,7

180±0,7

75

22

15

18

175

100L6; 100L4; 100L2

635

317

100S4; 100S2

602

100

100L8; 100L6; 100L4

675

380

270

212±0,5

130±1

210±1

270

350

14

22

195

112МА6; 112М4; 112М2

695

400

280

100S4

645

380

270

125

112МА6; 112МВ6; 112М4

738

480

335

265±1

160±0,7

280±0,7

105

25

19

28

235

132S6; 132S4; 132M6

765

132М4

814

 

132М2

 

350

160S4

870

520

335. 350

 

160М4

910

 

160S2; 160М2

870

ТАБЛ 1. Габаритные и присоединительные размеры для исполнения на лапах

4МЦ2С

Тип электродвигателя

L

H

В

h1

A

С

R

P

d

h

К

S

63

63В2

315

255

185

140

130js

185

200

240

11

12

150

65

71В6; 71В4

487

71А4:71А2:71В2

80В8; 80В6; 80В4; 80B2

517

265

80А6; 80А4

473

200

80А2

493

90L2

538

275

80

90LA8; 90LB8; 90L6; 90L4

590

305

250

170

180JS

240

250

293

14

14

170

85

100L6; 100L4; 100L2

635

317

100S4; 100S2

602

317

100

100L8; 100L6; 100L4

675

380

270

212

230JS

275

270

350

14

14

190

115

112МА6; 112М4; 112М2

695

400

280

100S4

645

380

270

125

112МА6; 112МВ6; 112М4

738

480

360

260

300js

350

360

440

18

20

235

115

132S6; 132S4; 132M6

765

480

132М4

814

480

132М2

477

160S4; 160S2; 160M2

870

520

160М4

910

ТАБЛ 2. Габаритные и присоединительные размеры для фланцевого исполнения

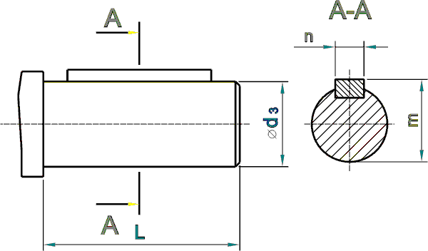
Варианты исполнения выходного вала мотор-редуктора

ВАРИАНТЫ ИСПОЛНЕНИЯ ВЫХОДНОГО ВАЛА МОТОР-РЕДУКТОРА

РИС 3. Конический

ВАРИАНТЫ ИСПОЛНЕНИЯ ВЫХОДНОГО ВАЛА МОТОР-РЕДУКТОРА

РИС 4. Цилиндрический

4МЦ2С

d1

d2

d3

L

L1

b

t

n

m

63

28

M16x1,5-8g

28k6

60

42

5

14,9

8

31

80

35

М20х1,5-8g

35k6

80

58

6

18,5

10

38

100

45

М30х2-8g

45k6

110

82

12

23,45

14

48,5

125

55

МЗ6х3-8g

55k6

110

82

14

28,9

16

5

ТАБЛ 3. Размеры выходного вала мотор-редуктора

Монтажное исполнение 4МЦ2С63-4МЦ2С125

РИС 5. Монтажное исполнение

Технические характеристики 4МЦ2С, 4МЦ2С-63, 4МЦ2С-80, 4МЦ2С-100, 4МЦ2С-125

Типоразмер

Номинальная частота вращения выходного вала, об/мин

Номинальный крутящий момент на тихоходном валу, H*м

Радиальная консольная нагрузка на конце тихоходного вала, Н

Масса без смазки, не более, кг

Типоразмер двигателя

Мощность двигателя

КПД мотор-редуктора, %, не менее

4МЦ2С-63

28

175

3300

21

АИР71В6Р3

0,55

66

35,5

140

3000

21

АИР71В6Р3

66

190

3500

27

АИР80А6Р3

0,75

68

45

113

2600

21

АИР71В6Р3

0,55

66

154

3100

27

АИР80А6Р3

0,75

68

56

96

2400

21

АИР71А4Р3

0,55

140

3000

АИР71В4Р3

0,75

73

206

3400

27

АИР80А4Р3

1,1

71

75

2100

21

АИР71А4Р3

0,55

72

105

2600

АИР71В4Р3

0,75

73

148

3000

27

АИР80А4Р3

1,1

90

57

1800

21

АИР71А4Р3

0,55

72

78

2200

АИР71В4Р3

0,75

73

112

2600

27

АИР80А4Р3

1,1

153

3100

АИР80В4Р3

1,5

75

112

47

1700

21

АИР71А4Р3

0,55

72

65

2000

АИР71В4Р3

0,75

73

92

2300

27

АИР80А4Р3

1,1

128

2400

АИР80В4Р3

1,5

75

187

3400

32

АИР90L4Р3

2,2

78

125

43

1600

21

АИР71А4Р3

0,55

72

59

1900

АИР71В4Р3

0,75

73

84

2300

27

АИР80А4Р3

1,1

114

2600

АИР80В4Р3

1,5

75

159

3100

АИР80В2Р3

2,2

80

140

37

1500

21

АИР71А4Р3

0,55

72

52

1800

АИР71В4Р3

0,75

73

73

2100

27

АИР80А4Р3

1,1

101

2500

АИР80В4Р3

1,5

75

149

3100

АИР80В2Р3

2,2

80

180

27

1300

16

АИР63В2

0,55

72

36

1500

21

АИР71А2Р3

0,75

75

53

1800

АИР71В2Р3

1,1

73

2100

27

АИР80А2Р3

1,5

74

107

2500

АИР80В2Р3

2,2

86

150

3000

32

АИР90L2Р3

3,0

81

224

22

1100

16

АИР63В2

0,55

72

29

1300

21

АИР71А2Р3

0,75

75

46

1700

АИР71В2Р3

1,1

63

1900

27

АИР80А2Р3

1,5

74

92

2400

АИР80В2Р3

2,2

86

125

2700

32

АИР90L2Р3

3,0

81

280

18

1000

16

АИР63В2

0,55

72

24

1200

21

АИР71А2Р3

0,75

75

36

1500

АИР71В2Р3

1,1

50

1700

27

АИР80А2Р3

1,5

74

73

2100

АИР80В2Р3

2,2

86

99

2400

32

АИР90L2Р3

3,0

81

4МЦ2С-80

28

250

4000

36

АИР90LА8Р3

0,75

72

368

4800

40

АИР90LВ8Р3

1,1

74

35,5

292

4300

368

4800

37

АИР90L6Р3

1,5

73

45

230

3800

40

АИР90LВ8Р3

1,1

74

304

4400

37

АИР90L6Р3

1,5

73

56

242

3900

37

АИР90L6Р3

1,5

73

366

4800

36

АИР90L4Р3

2,2

78

46

АИР100L6Р3

71

190

3400

37

АИР90L6Р3

1,5

73

303

4300

36

АИР90L4Р3

2,2

78

46

АИР100L6Р3

393

5000

41

АИР100S4Р3

3,0

79

90

228

3800

36

АИР90L4Р3

2,2

78

46

АИР100L6Р3

310

4200

41

АИР100S4Р3

3,0

79

112

185

3400

36

АИР90L4Р3

2,2

78

250

4000

41

АИР100S4Р3

3,0

79

332

4600

47

АИР100L4Р3

4,0

82

125

230

3800

41

АИР100S4Р3

3,0

82

307

4400

47

АИР100L4Р3

4,0

82

140

256

4000

47

АИР100L4Р3

4,0

82

302

4800

51

АИР100L2Р3

5,5

85

180

200

3500

47

АИР100L4Р3

4,0

82

43

АИР100S2Р3

84

280

4200

51

АИР100L2Р3

5,5

85

224

165

3300

43

АИР100S2Р3

4,0

84

227

3800

51

АИР100L2Р3

5,5

85

280

127

2800

47

АИР100S2Р3

4,0

84

175

3300

51

АИР100L2Р3

5,5

85

4МЦ2С-100

28

445

5300

79

АИР100L8Р3

1,5

71

655

6400

81

АИР100L6Р3

2,2

77

31,5

440

5200

79

АИР100L8Р3

1,5

71

35,5

555

6000

81

АИР100L6Р3

2,2

77

710

6700

100

АИРМ112МА6Р3

3,0

45

440

5300

81

АИР100L6Р3

2,2

77

595

6100

74

АИР100S4Р3

3,0

78

56

505

5700

74

АИР100S4Р3

3,0

78

675

6500

81

АИР100L4Р3

4,0

82

71

535

5800

81

АИР100L4Р3

4,0

82

710

6700

99

АИРМ112М4Р3

5,5

83

90

405

5100

81

АИР100L4Р3

4,0

82

545

5900

99

АИРМ112М4Р3

5,5

83

112

450

5400

99

АИРМ112М4Р3

5,5

83

620

6300

100

АИРМ112М2Р3

7,5

85

125

375

4800

99

АИРМ112М4Р3

5,5

83

537

5800

100

АИРМ112М2Р3

7,5

85

140

490

5600

160

445

5200

224

314

4400

280

244

3900

4МЦ2С-125

28

935

7700

122

АИРМ112МА6Р3

3,0

77

1245

8800

126

АИРМ112МВ6Р3

4,0

79

35,5

975

7800

126

АИРМ112МВ6Р3

4,0

79

1340

9200

148

АИРМ132S6Р3

5,5

83

45

780

700

126

АИРМ112МВ6Р3

4,0

79

1120

8400

127

АИРМ112М4Р3

5,5

83

56

880

7400

127

АИРМ112М4Р3

5,5

83

148

АИРМ132S6Р3

5,5

83

1200

8700

151

АИРМ132S4Р3

7,5

84

71

960

7800

 

 

 

 

1410

9400

166

АИРМ132М4Р3

11,0

85

90

775

7000

151

АИРМ132S4Р3

7,5

84

1140

8500

166

АИРМ132М4Р3

11,0

85

112

895

7500

166

АИРМ132М4Р3

11,0

85

1210

8700

206

АИРМ160S4Р3

15,0

84

140

704

6600

166

АИРМ132М4Р3

11,0

85

940

7700

206

АИРМ160S4Р3

15,0

84

1165

8600

228

АИРМ160М4Р3

18,5

86

180

557

5900

160

АИРМ132М2Р3

11,0

84

760

6900

206

АИРМ160S4Р3

15,0

84

940

7700

228

АИРМ160S4Р3

15,0

84

224

447

5200

160

АИРМ132М2Р3

11,0

84

609

6100

197

АИРМ160S2Р3

15,0

752

6800

207

АИРМ160М2Р3

18,5

86

Пример условного обозначения при заказе:

Мотор-редуктор 4МЦ2С-63-71-1,1-G310-ЦУЗ-2-380 ТУ2.056.0221595.13-91, где:

Мотор-редуктор типа 4МЦ2С с межосевым расстоянием 63 мм, частотой вращения выходного вала 71 об/мин, мощностью электродвигателя 1,1 кВт, вариант установки G310 - фланец, цилиндрическим концом выходного вала Ц, климатического исполнения У, категории размещения 3, категории точности 2, номинального напряжения сети переменного тока 380 В.